
products
产品中心
扭矩控制工具
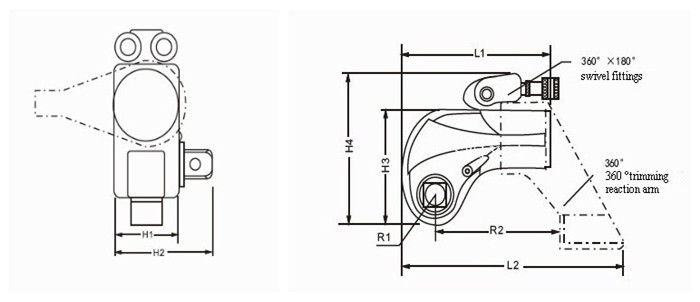
MXTA系列驱动型液压扳手
驱动式液压扳手配合标准套筒使用,为通用型液压扳手,适用范围广。特别适用于空间比较狭小的地方。适用于电力(核电、风电、水电、火电)、船舶、冶金、交通、水泥、建筑、航空、重型机械制造等领域。
1.机身采用高科技航天材料(铝钛合金)及超高强度合金钢制造,一体成型,机身具有重量轻,强度高,韧性好等优点。
2.最大工作压力70Mpa,精确度达到±3%。
3.可360°×180°旋转的油管接头,无使用空间限制,方便操作。
4.扳机式扣锁,轻松按动,可随心所欲地将360°微调式反作用力臂定于坚固的支点上。
5.规格型号齐全,各规格套筒配合方形驱动轴一起使用,适合市场上大部分螺栓规格,特殊型号,可定制。
应用行业:
风电行业、石油与天然气、化工行业应用、钢铁厂等冶金行业、 矿山机械行业
配套设备:
液压扳手专用泵、套筒、高压软管


可定制各种特殊规格的驱动轴,驱动头及反作用力臂
为了您能正确选择油压扳手型号,请与本公司工程师联系

